Нужные параметры при зарядке постоянным током
Уже доказано, что производить заряд автомобильных свинцовых кислотных аккумуляторных батарей (в основном в автомобилях присутствуют именно такие) необходимо при помощи тока, не превышающего показателя в 10% от емкости всей батареи.
Так, в случае емкости АБ в 55 A/ч, максимальная подача тока заряда должна быть 5,5 А. По такому принципу высчитывается максимальный ток для любой батареи. Можно даже немного снизить подачу тока, но в таком случае процесс заряда будет идти немного медленнее. Накопление заряда будет происходить даже в случае, если ток заряда будет ближе к отметке 0,1 А. Но в таком случае для восстановления емкости необходимо будет очень много времени.
Минимальное время заряда АБ при уровне тока в 10% от заряда составляет 10 часов, но это в случае полного разряда батареи, которого допускать недопустимо. Поэтому на фактическое время до полного заряда влияет глубина разряда.
Чтобы произвести расчет примерного времени до полного заряда, следует выяснить разницу между максимальным зарядом (12,8 вольт) и вольтажом на данный момент. Если эту цифру умножить на 10, то можно получить приблизительно время в часах.
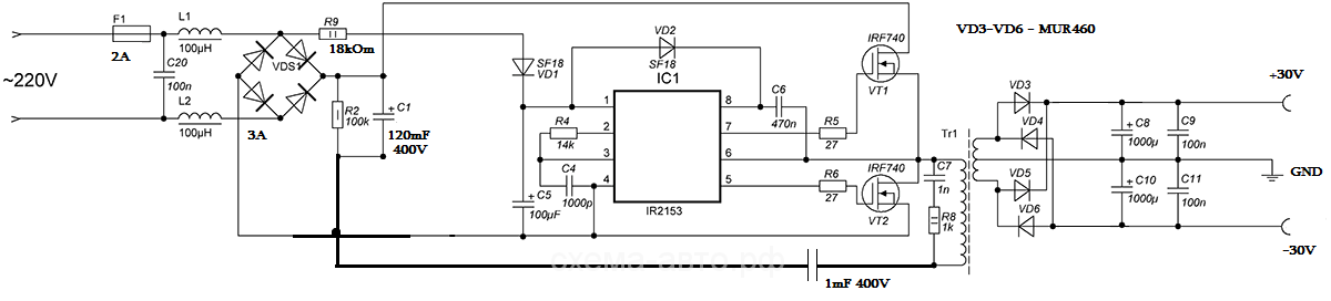
Схема ЗУ Рассвет 2
Схема ЗУ Рассвет 2
Посмотрите на картинке на схему зарядного устройства Рассвет 2. Она составлена по оригинальному ЗУ. Если освоить эту схему, то самостоятельно получится создать качественную копию, ничем не отличающуюся от оригинального образца. Конструктивно устройство представляет собой отдельный блок, закрывающийся корпусом, чтобы защитить электронику от влаги и воздействия плохих погодных условий. На основание корпуса необходимо подсоединить трансформатор и тиристоры на радиаторах. Потребуется плата, что будет стабилизировать заряд тока и управлять тиристорами и клеммы.
Как узнать состояние батареи?
Необходимость в зарядке аккумулятора автомобиля зависит от уровня заряда. И метод проверки, именуемый в народе как «крутит/не крутит» является не самым удачным методом. Если же батарея «не крутит», например, перед выездом, то вы вообще не сможете завести машину, состояние «не крутит»– критическое и может предполагать крайне негативные последствия для самого аккумулятора.
Самым эффективным и безопасным методом является измерение напряжение при помощи самого простого тестера. Так, при температуре воздуха приблизительно около 20 градусов, зависимость степени зарядки от напряжения на клеммах отключенного от нагрузки аккумулятора такова:
- 12,6-12,7 – батарея полностью заряжена;
 - 12,3-12,4 – уровень заряда составляет около 75%;
 - 12,0-12,1 – приблизительно 50%;
 - 11,8-11,9 – 25%;
 - 11,6-11,7 – батарея находится в разряженном состоянии;
 - если же показатель находится ниже отметки в 11,6 В, то это означает глубокий разряд.
 
Показатель в 10,6 Вольт является критическим, и если уровень еще больше снизится, то аккумуляторная батарея, особенно которая давно обслуживалась, просто выйдет из строя.
На основе компьютерного БП
Зарядное устройство для аккумулятора автомобиля своими руками нетрудно смастерить, задействовав блок питания для старой модели типа АТХ, действующий на основе контроллера типа TL494 . Работа потребует от мастера понимания основ радиотехники.
Схема поможет понять принцип монтажа цепи.
Потребуется выполнить определенные действия:
- Оставляют лишь провода в желтой и черной изоляции, соединяют их. При этом желтые провода образуют «плюс», а провода черного цвета «минус».
 - Ликвидируют дорожки с номерами 1, 14, 15, 16.
 - Для корректировки показателей заряда на блок питания потребуется поместить резистор переменного тока (10 и 4,4 кОм).
 - Монтируют в точном соответствии с чертежом.
 
Зарядка автомобильного аккумулятора в домашних условиях
Часто в водительской практике возникает ситуация, когда, поставив машину возле дома вечером, утром обнаруживается, что АКБ разряжен. Что можно сделать в такой ситуации, когда под рукой нет паяльника, никаких деталей, а завестись надо?
Обычно на аккумуляторе осталась небольшая емкость, его просто необходимо немного «подтянуть», чтобы заряда хватило для запуска двигателя. В этом случае может помочь блок питания от какой-нибудь бытовой или оргтехники, например, ноутбука.
Зарядка от блока питания ноутбука
Напряжение, которое производит блок питания ноутбука обычно 19 Вольт, ток до 10 Ампер. Этого хватает, чтобы зарядить АКБ. Но напрямую подключать блок питания к аккумулятору НЕЛЬЗЯ. Необходимо последовательно в цепь заряда включить ограничивающее сопротивление. В качестве него можно взять автомобильную электролампочку, лучше для освещения салона. Ее можно приобрести на ближайшей автозаправке.
Обычно средний контакт разъема положительный. К нему подключается лампочка. Ко второму выводу лампочки подключается + АКБ.
Отрицательная клемма подключается к отрицательному выводу блока питания. На блоке питания обычно имеется шильдочка, показывающая полярность разъема. Пары часов зарядки таким методом достаточно, чтобы запустить двигатель.
Схема простого зарядного устройства для автомобильного аккумулятора.
Рис.1

Заряд от бытовой сети
Более экстремальный метод зарядки – непосредственно от бытовой сети. Его применяют только в критической ситуации, используя максимальные меры электробезопасности. Для этого понадобится осветительная лампа (не энергосберегающая).
Можно вместо нее использовать электроплитку. Также необходимо приобрести выпрямительный диод. Такой диод можно «позаимствовать» из неисправной энергосберегающей лампы. На это время напряжение, подаваемое в квартиру, лучше обесточить. Схема представлена на рисунке.
Рис.2

Ток заряда при мощности лампы 100 Ватт будет приблизительно 0,5 А. За ночь АКБ подзарядится всего на несколько ампер-часов, но этого может хватить для запуска. Если соединить параллельно три лампы, то АКБ зарядится в три раза больше. Если вместо лампочки подключить электроплитку (на самой маленькой мощности), то время заряда существенно уменьшится, но это очень опасно. К тому же может пробиться диод, тогда возможно замыкание АКБ. Методы заряда от 220 В опасны.
Порядок сборки
Схема и порядок действий определяется типом приспособления и его комплектующими.
В работе нетрудно использовать готовую схему для пополнения заряда кислотной батареи:
- Располагая трансформатором с парой вторичных и парой первичных обмоток, потребуется соединить их для получения необходимого уровня напряжения.
 - Ненужные обмотки рекомендуется снять, а недостающую намотать самостоятельно. Для этого необходим медный провод с лаковой изоляцией.
 - На клеммах фиксируют выводы сетевого провода.
 - Сборку диодов производят на пластинке из текстолита. Для монтажа полупроводников специалисты советуют применить радиатор из-за повышенного выделения тепла.
 - Диодный мост присоединяют к клеммам трансформатора.
 - В цепь между диодами и клеммами батареи встраивают амперметр для контроля процесса.
 - Поместив рядом переключатель или резисторный блок, несложно выполнять регулировку тока.
 - К выводам присоединения к элементу рекомендуется подключить вольтметр.
 - Пара предохранителей позволит обеспечить защиту прибора от замыкания.
 
Рекомендуется начинать процесс с самого низкого показателя мощности, и постепенно увеличивать ее.
Что нужно знать владельцу такого устройства?
Особенностей у самодельного аппарата, собранного по схеме импульсного зарядного устройства, приведённой выше, не так много, сам процесс несложен, контроль над ним сведён к минимуму. Электронная защита исключает выход из строя компонентов при неправильном подключении или перегрузках в сети.
Как правильно заряжать
Подключите ИЗУ к сети 220 В, переведите выключатель в рабочее положение. Когда прибор, измеряющий ток и напряжение, заработает, переведите ручку подстроечного сопротивления влево до конца: получится на выходе 9 В. Теперь подсоедините выходные провода к клеммам АКБ, соблюдая соответствие (+) и (-). Переменным резистором не спеша увеличивайте напряжение до 13,5 В (если батарея совсем села) или 14,5 В (если аккумулятор неработоспособен на 50 %). Посмотрите на амперметр: I должна составлять 10 % от ёмкости. Например, для АКБ 55 А/ч это будет 5,5 А.
По ходу процесса сила тока будет падать, плотность электролита – повышаться. Процедуру можно считать законченной, когда I = 0,1 А или менее.
Как функционирует защита?
При случайном замыкании выходных проводов ИЗУ останется работоспособным: просто он выключится. Вытащите вилку из сети, устраните причину КЗ, и блок снова готов к работе. Ещё есть защита от перегрузки: устройство срабатывает при появлении тока в 10 А. Как только возникает подобное значение, устройство автоматически отключается.
Часто допускаемые ошибки
В первую очередь это спешка. Нельзя полноценно зарядить батарею ИЗУ за 4–5 часов. Понадобится не менее 14-ти. Тем более, если процесс осуществляется при отрицательной температуре. Также рекомендуется внимательно смотреть на полюса при подключении аккумулятора: не каждое ЗУ имеет защиту «от дурака». Если у вас аккумулятор свинцово-кислотный, обслуживаемый, на период зарядки стоит выкрутить (можно наполовину) пробки банок. Оберегайте устройство от проникновения влаги, образования конденсата. Последний может осесть на корпусе при внесении ЗУ с мороза в тёплое помещение. В этом случае эксплуатацию устройства можно начинать примерно через пару часов, когда влага, осевшая на электронных компонентах, высохнет.
Типичные поломки ЗУ и их ремонт
Один из наиболее распространённых дефектов, появляющихся обычно после года-второго срока эксплуатации, – отсутствие напряжения на выходе. В лучшем случае причина заключается в сгоревшем предохранителе: его нужно просто заменить
Если же он исправен, осмотрите печатную плату: в первую очередь обратите внимание на электролитические конденсаторы – их вздутие говорит о выходе из строя
Однако не стоит ограничиваться только их заменой: поломка конденсаторов могла по принципу цепочки привести к выходу из строя других элементов. Поэтому надо выпаять и проверить:
- выпрямительный диодный мост;
 - конденсаторы фильтра;
 - полевые транзисторы (они стоят на алюминиевых радиаторах).
 
Также не забудьте проверить целостность проводов питания и работоспособность выключателя. Если под рукой нет нужного предохранителя, его временно заменит «жучок»: проволока сечением 0,11 мм соответствует току в 3 А.
Виды и типы
Выделяют три основных метода, благодаря которым, собственно и происходит зарядка аккумуляторов:
Зарядка постоянным напряжением – производится при помощи непосредственного контакта АКБ и электросети. С помощью такого зарядного устройства можно не только полностью заряжать аккумулятор, но и частично его подзаряжать, когда требуется его максимальный запас энергии
Важно контролировать процесс, а также для обеспечения безопасности рекомендуется изъять аккумулятор из авто.
Зарядка постоянным током – сила тока не должна превышать десятой части от емкости аккумулятора, иначе процесс может иметь массу нежелательных явлений, таких как кипение электролита, либо выделение обильных клубов пара. Чтобы этого не допустить, также важно знать уровень заряда самого аккумулятора
Главным недостатком метода является именно самостоятельный контроль за ходом всех процессов. Каждые 30-50 минут придется замерять силу тока и регулировать ее, относительно емкости заряжаемого аккумулятора.
Комбинированный метод — его принцип крайне прост: вначале подается постоянное напряжение, сила которого регулируется автоматически. Спустя какое-то время завершение происходит при помощи воздействия постоянного тока. Это удобно, поскольку все процессы автоматизированы, и нет необходимости постоянно контролировать, на каком этапе находится процесс.
В зависимости от этого зарядные устройства принято делить на две группы:
- зарядные или зарядно-предпусковые – осуществляют подзарядку непосредственно от сети, при этом аккумулятор в это время может свободно использоваться
 - зарядно-пусковые – зарядка происходит в автономном режиме, независимо от места нахождения автомобиля.
 
В первом случае аккумулятор удобно заряжать лишь тем, кто имеет в своем распоряжении большой просторный гараж, к которому подведено электричество. Если же аккумулятор подвел в заснеженной пробке, то второй вариант более удобен и практичен, позволяет отправиться в путь уже через 15-20 минут.
Зарядно-пусковые зарядные устройства по принципу работы могут быть двух видов:
- Импульсные – воздействуют токами высоких частот, имеют небольшие габариты.
 - Трансформаторные – громоздкие машины, 90% объема и веса которых занимает сам трансформатор. В автопрактике используются редко, поскольку неудобны в транспортировке.
 
Разберем, чем же так полюбились зарядники импульсного типа, оценив модельный ряд, среднюю стоимость и рейтинг наиболее удачных моделей.
Инструкция по изготовлению импульсного ЗУ своими руками
![]()
Простая схема для изготовления импульсной зарядки
Сделать ЗУ для автоаккумуляторов можно в домашних условиях, рассмотрим процесс изготовления девайса со схемой IR2153. В этой схеме нет двух конденсаторных элементов, подключенных к средней точке, вместо них устанавливается электролит. По этой схеме можно изготовить девайс, который изначально рассчитан на невысокую мощность, но если вы хотите получить более мощное ЗУ, то можете немного изменить схему, добавив в нее мощные компоненты.
Схема импульсного зарядного устройства подразумевает использование ключей 8N50, которые оснащаются защитным корпусом. Также вам потребуются и диодные мосты, их не обязательно покупать в магазине, можно взять со старого БП компьютера. Если у вас нет возможности достать такие диоды, то в принципе, мост можно сделать из выпрямительных диодных элементов, потребуется четыре штуки.
Не менее важным этапом является обустройство цепи питания, для реализации вам понадобится резисторный элемент для гашения тока, наиболее оптимальным вариантом будет резистор на 18 кОм. За резисторным компонентом устанавливается выпрямитель, который монтируется на диоде. В данном случае питание от бытовой сети будет передаваться на плату, это нам подходит. На самом питании нужно будет установить электролит, а его также надо будет соединить с конденсаторным элементом — можно использовать керамическое устройство или пленочное
Конденсатор в обязательном порядке нужно добавить в схему, поскольку это позволит максимально сгладить возможные помехи в работе ЗУ.
Трансформаторный узел можно взять из старого компьютерного БП, важно убедиться в том, что он рабочий. Устройства, которые ставятся в блоки питания, оптимально подходят для изготовления ЗУ, так как они выдают хороший ток на выходе
Диодные элементы трансформатора должны быть в любом случае импульсными, так как обычные детали будут не в состоянии работать в условиях высокой частоты.
Что касается фильтрующего элемента, то его использование не является обязательным, но все же добавить фильтр можно. Также в схему можно добавить термистор на 5 Ом и установить его перед фильтром, это позволит добиться максимального снижения помех. К слову, термистор также можно демонтировать из компьютерного БП.
Не забудьте установить и электролитический конденсаторный компонент, при его выборе необходимо руководствоваться соотношением 1 Вт — 1 мкФ (автор видео о пошаговом изготовлении ЗУ — канал Паяльник TV).
 
На первый взгляд эта схема может показаться достаточно сложной, но в целом в ее реализации нет ничего сложного. Если вы все сделаете правильно и учтете все моменты и рекомендации, то процесс изготовления не вызовет сложностей, даже если вы никогда ранее не сталкивались с такой задачей.
Фотогалерея «Схемы для изготовления ЗУ»
Ниже представлены более сложные схемы для изготовления зарядных устройств. Если вы владеете навыками, то можете использовать эти схемы.

 1. Более сложная схема для импульсного ЗУ

 2. Схема мощного импульсного прибора
Конструкция автоматического зарядного устройства
Все детали зарядного устройства размещены в корпусе миллиамперметра В3-38, из которого удалено все его содержимое, кроме стрелочного прибора. Монтаж элементов, кроме схемы автоматики, выполнен навесным способом.
Конструкция корпуса миллиамперметра, представляет собой две прямоугольные рамки, соединенные четырьмя уголками. В уголках с равным шагом сделаны отверстия, к которым удобно крепить детали.
Силовой трансформатор ТН61-220 закреплен на четырех винтах М4 на алюминиевой пластине толщиной 2 мм, пластина в свою очередь прикреплена винтами М3 к нижним уголкам корпуса. Силовой трансформатор ТН61-220 закреплен на четырех винтах М4 на алюминиевой пластине толщиной 2 мм, пластина в свою очередь прикреплена винтами М3 к нижним уголкам корпуса. На этой пластине установлен и С1. На фото вид зарядного устройства снизу.
К верхним уголкам корпуса закреплена тоже пластина из стеклотекстолита толщиной 2 мм, а к ней винтами конденсаторы С4-С9 и реле Р1 и Р2. К этим уголкам также прикручена печатная плата, на которой спаяна схема автоматического управления зарядкой аккумулятора. Реально количество конденсаторов не шесть, как по схеме, а 14, так как для получения конденсатора нужного номинала приходилось соединять их параллельно. Конденсаторы и реле подключены к остальной схеме зарядного устройства через разъем (на фото выше голубой), что облегчило доступ к другим элементам при монтаже.
На внешней стороне задней стенки установлен ребристый алюминиевый радиатор для охлаждения силовых диодов VD2-VD5. Тут так же установлен предохранитель Пр1 на 1 А и вилка, (взята от блока питания компьютера) для подачи питающего напряжения.
Силовые диоды зарядного устройства закреплены с помощью двух прижимных планок к радиатору внутри корпуса. Для этого в задней стенке корпуса сделано прямоугольное отверстие. Такое техническое решение позволило к минимуму свести количество выделяемого тепла внутри корпуса и экономии места. Выводы диодов и подводящие провода распаяны на не закрепленную планку из фольгированного стеклотекстолита.
На фотографии вид самодельного зарядного устройства с правой стороны. Монтаж электрической схемы выполнен цветными проводами, переменного напряжения – коричневым, плюсовые – красным, минусовые – проводами синего цвета. Сечение проводов, идущих от вторичной обмотки трансформатора к клеммам для подключения аккумулятора должно быть не менее 1 мм2.
Шунт амперметра представляет собой отрезок высокоомного провода константана длиной около сантиметра, концы которого запаяны в медные полоски. Длина провода шунта подбирается при калибровке амперметра. Провод я взял от шунта сгоревшего стрелочного тестера. Один конец из медных полосок припаян непосредственно к выходной клемме плюса, ко второй полоске припаян толстый проводник, идущий от контактов реле Р3. На стрелочный прибор от шунта идут желтый и красный провод.
Печатная плата блока автоматики зарядного устройства
Схема автоматического регулирования и защиты от неправильного подключения аккумулятора к зарядному устройству спаяна на печатной плате из фольгированного стеклотекстолита.
На фотографии представлен внешний вид собранной схемы. Рисунок печатной платы схемы автоматического регулирования и защиты простой, отверстия выполнены с шагом 2,5 мм.
На фотографии выше вид печатной платы со стороны установки деталей с нанесенной красным цветом маркировкой деталей. Такой чертеж удобен при сборке печатной платы.
Чертеж печатной платы выше пригодится при ее изготовлении с помощью технологии с применением лазерного принтера.
А этот чертеж печатной платы пригодится при нанесении токоведущих дорожек печатной платы ручным способом.
Шкала вольтметра и амперметра зарядного устройства
Шкала стрелочного прибора милливольтметра В3-38 не подходила под требуемые измерения, пришлось начертить на компьютере свой вариант, напечатал на плотной белой бумаге и клеем момент приклеил сверху на штатную шкалу.
Благодаря большему размеру шкалы и калибровки прибора в зоне измерения, точность отсчета напряжения получилась 0,2 В.
Провода для подключения АЗУ к клеммам аккумулятора и сети
На провода для подключения автомобильного аккумулятора к зарядному устройству с одной стороны установлены зажимы типа крокодил, с другой стороны разрезные наконечники. Для подключения плюсового вывода аккумулятора выбран красный провод, для подключения минусового – синий. Сечение проводов для подключения к устройству аккумулятора должно быть не менее 1 мм2.
К электрической сети зарядное устройство подключается с помощью универсального шнура с вилкой и розеткой, как применяется для подключения компьютеров, оргтехники и других электроприборов.
Что такое импульсное зарядное устройство?
В отличие от трансформаторных собратьев импульсные зарядные устройства заряжают батарею не постоянным током какого-либо значения, а импульсами. Для их образования используется современная элементная база – громоздкие трансформаторы при этом не потребуются. Импульсная зарядка аккумулятора происходит в режиме как постоянного тока, так и постоянного напряжения, плюс комбинированный цикл
А это очень важно, например, для необслуживаемых АКБ
Принцип действия
Если смотреть по конструкции, речь идёт об устройстве, восстанавливающем заряд автомобильной АКБ особым образом. В импульсное зарядное устройство для автомобильного аккумулятора входят:
- небольшой импульсный трансформатор;
 - диодный выпрямитель;
 - блок стабилизации;
 - система индикации (аналоговые приборы или цифровой дисплей);
 - электронный модуль, контролирующий процесс заряжания.
 
Как действует ИЗУ? Электронная схема и трансформатор генерируют высокую частоту, с помощью которой входное напряжение от сети повышается. При этом активно применяются фильтры (в состав которых входят электролитические конденсаторы), задерживающие помехи и сглаживающие напряжение на выходе. Далее происходит его преобразование с одновременным понижением до требуемого значения. К аккумулятору поступает ток, величина которого контролируется дополнительными электронными блоками. По окончании процесса диодный выпрямитель блокируется, зарядка прекращается.
Особенности
Все импульсные зарядки несложны в эксплуатации и имеют свою классификацию. В магазине вы встретите ИЗУ нескольких типов:
- Ручные: относительно недорогие устройства, требующие постоянного контроля над процессом заряжания: то есть придётся периодически подстраивать U и I, следить за временем процесса.
 - Полуавтоматы: здесь часть процессов происходит без участия автовладельца – ему необходимо лишь учитывать продолжительность процедуры.
 - Автоматы: программируемые устройства, способные сначала определять состояние АКБ, потом выбирать оптимальный режим её восстановления и заряжать с последующим автоматическим отключением.
 
Специальный режим зарядки
С помощью ИЗУ батарею можно зарядить постоянным током, напряжением либо использовать комбинированный режим, о чём будет написано далее. Но у многих импульсников существует и специальный метод восстановления АКБ, называемый BOOST. Это чрезвычайный режим, обеспечивающий подзарядку аккумулятора в течение максимум 10 минут. По окончании такого срока двигатель запустится, даже если аккумулятор был разряжен очень сильно.
Но часто пользоваться подобным режимом нежелательно: постоянное сильное воздействие на пластины-электроды быстро приведёт к их разрушению, и батарея потеряет работоспособность окончательно через 2–3 месяца. Применять BOOST можно лишь в крайних случаях: когда нужно срочно ехать, а батарея оказалась разряженной.
Преимущества и недостатки
Чем же обусловлена популярность импульсных устройств у автолюбителей? На это есть довольно веские причины:
- Небольшие габариты: некоторые импульсники можно свободно поместить даже в бардачок авто. Поэтому зарядник легко взять с собой в длительную поездку при сильном морозе, чтобы после ночёвки не испытывать проблем с запуском мотора.
 - Лёгкость в эксплуатации: разобраться с управлением прибором сможет даже человек, не искушённый в тонкостях электроники.
 - Программное обеспечение в самых современных ИЗУ исключает присутствие человека при процессе заряжания, в крайнем случае его участие сводится к минимуму.
 - Импульсные зарядки имеют всевозможные виды защиты от замыканий, переполюсовок и т. п.
 - Автоматический режим работы не допускает перегрев АКБ и продлевает эксплуатационный ресурс батареи.
 - В некоторые ИЗУ интегрирована система подсказок. При неправильном подключении или неверном выборе режима тревожный сигнал, информация на дисплее подскажут, что нужно делать, чтобы правильно зарядить АКБ.
 
А что можно сказать об отрицательных сторонах этого зарядного устройства? Здесь стоит выделить пару главных моментов. Первый заключается в относительно высокой стоимости аппарата. Взглянув на цену, большинство покупателей тут же переходят к полке с трансформаторными ЗУ. Поэтому импульсники чаще можно встретить в автосервисах, на станциях ТО, в частных мастерских.
Второе – наличие множества датчиков, приборов, сложной электронной схемы. Всё это очень сильно помогает в процессе работы. Но в случае поломки одного из элементов ремонт может вылиться в копеечку. Да такую, что, возможно, придётся задуматься о приобретении другого аппарата.






























